RANDRO 720mm Standing seam roof panel roll forming machine, adopting 25 rows of roller asynchronous forming and step-by-step pressing, the machine’s forming is more perfect. At the same time, a rocker arm control system is adopted to operate and control at will. The standing seam roll forming machine can currently be equipped with a hydraulic lifting platform to form a high-altitude tile machine, which is better for building workshops and warehouses at high altitude.


Standing Seam Metal Panel Roofing Roll Forming Machine Interlocking Self Clip Lock Roofing Machine is a globally applicable roof panel forming machine. The 720mm shape is very popular in the construction industry in various countries and is often ordered from China. This standing seam hidden roof panel machine was purchased for a Ghanaian customer. It only requires the roof panel to be combined with the bracket. It has beautiful appearance, economy and durability.


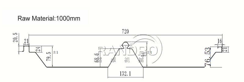
standing seam self lock roof panel roll forming machine,its finished shape is perfect, without burrs, and the overlap is smooth. At the same time, it can be used in combination with the bracket.


Our machines are exported to dozens of foreign countries, such as the Philippines, Ghana, Brazil, the United States, Türkiye, Cote d’Ivoire, Zambia, Kazakhstan, Peru, etc., and are highly recognized by customers. If you want to know more about roof roll forming machines, keel forming machines, and more cold bending forming machines not mentioned, please contact us for more information.
