Description
The PU foam roller shutter door forming machine consists of an unwinding machine, a forming machine, a polyurethane foaming machine, and a receiving rack. The outer metal is an aluminum plate, which is pressed into the corresponding roller shutter door shape. Polyurethane is injected into the inside of the roller shutter door to form polyurethane foam, and finally becomes the corresponding product. This PU polyurethane roller shutter door roll forming machine has great advantages compared with other ordinary roller shutter door forming machines.
Characters
High Thermal Insulation
High-Performance Motor
Pu Foam Forming
Easy maintenance
User-Friendly Control
Long-Term Durability
Product Details
The PU foam rolling shutter door forming machine is made of high-quality materials, featuring a superior main frame, gearbox design, thickened archway, and independent electrical control cabinet, ensuring the overall quality of the machine, guaranteeing its quality and long service life.




Workflow
Uncoiler
Enter Guide
Roll Forming
Pu Foam Forming
Profile Cutting
Run out table
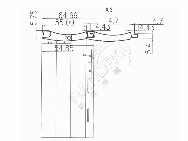
Profiled Design
Currently, the most popular sizes for PU foam roller shutter doors are 44/55/77/95mm. Below are some design drawings. Randro can customize PU foam roller shutter door molding machines according to different design drawings. For more specifications and details, please contact us.






Finished Product
The following example images show the finished products of PU foam roller shutter door forming machines with sizes of 55mm and 77mm. The molding is perfect, the foaming is rapid, and the filling is complete. Please see the pictures for details.






Configure Products
In addition to the main forming machine, the PU foam roller shutter door roll forming machine requires a corresponding unwinding machine and a polyurethane foaming machine. These two parts are essential and will be included when you purchase this roller shutter door forming machine.


Main Components
Decoiler Machine
Feeding Guide
Leveling System
Roll Forming System
Pu Foam System
Cutting System
Run-out Table
Application
PU foam roller shutter door roll forming machine finished products can be used in warehouses, workshops, cold storage, villa canopies and other places through overlapping. It has a wide range of uses, and is fireproof and heat-insulating, making it one of the most popular products among modern roller shutter doors.





